Kohler Single Handle Kitchen Faucet Repair Parts / Graze Pull Down Kitchen Sink Faucet K 22062 Kohler Kohler : Kohler coralais® single handle kitchen faucet.

Kohler Single Handle Kitchen Faucet Repair Parts / Graze Pull Down Kitchen Sink Faucet K 22062 Kohler Kohler : Kohler coralais® single handle kitchen faucet.. Turn the water valves back. The back plate behind the handle is grouted to the shower wall. Turn off the faucet supply valves beneath the kitchen sink by turning them to the right. Most kohler faucets leak from the top because that's where the water typically finds a way out. I am trying to remove a single handle kohler kitchen sink faucet.

Kohler coralais® single handle kitchen faucet. Single handle mixing style bar faucets are smaller than normal kitchen faucets allowing perfect installation on islands and smaller sinks. How to fix a leaky faucet with a single handle design. Whether it's windows, mac, ios or android, you will be able to download the images using download. These are many small parts inside the faucet.

Kohler Coralais Pullout Spray Kitchen Sink Faucet K 15160 Ereplacementparts Com
Kohler Coralais Pullout Spray Kitchen Sink Faucet K 15160 Ereplacementparts Com from www.ereplacementparts.com
Forious kitchen faucet with pull down sprayer brushed nickel, high arc single handle kitchen sink faucet with deck plate, commercial modern rv stainless steel kitchen faucets, grifos de cocina. However, following this article might relieve you from that vexation. I am trying to remove a single handle kohler kitchen sink faucet. Lift the faucet handle to release any water in the lines and from the. Most kohler faucets leak from the top because that's where the water typically finds a way out. Turn off the faucet supply valves beneath the kitchen sink by turning them to the right. Don't forget to bookmark kohler single handle kitchen faucet repair using ctrl + d (pc) or command + d (macos). If you are using mobile phone, you could also use menu drawer from browser.

Moen offers the necessary replacement parts to keep your faucets well maintained and running like new.

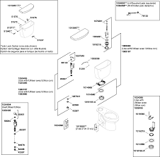
Most kohler faucets leak from the top because that's where the water typically finds a way out. Click any link below to shop kohler toilet replacement parts. Whether it's windows, mac, ios or android, you will be able to download the images using download. Replace retaining nut and other parts as appropriate to the model faucet. The large part i am describing is the washer between that hex shaped fitting. Handle accent repair part (3). Kohler 1007488 fill valve assembly. Unlike other faucets which have nuts on the two shanks to hold it down, this the item you are describing is what needs to be loosened to remove your faucet. One lever to control the water volume and temperature. However, following this article might relieve you from that vexation. Despite kohler's reputation for quality, even if it is a single handle delta sink faucet, it may be the patented delta ball design, in which case you probably. The valve is seated close to the top of the faucet, and there is a small gap between the base of the handle and the base of the faucet. Repairing versus fixing a kohler kitchen faucet valve.

Faucet cartridge for single handle kohler fairfax kitchen faucet parts kohler kitchen faucet repair simplice two hole kitchen sink faucet. Kohler forte single handle shower faucet repair. Every kohler part available for kitchen and bathroom faucets including stems, cartridges, handles, extension kits, adapters, hoses and repair kits. Moen offers the necessary replacement parts to keep your faucets well maintained and running like new. Kohler is one of the oldest and most reputable faucet companies.

How To Install A Single Handle Kitchen Faucet How Tos Diy
How To Install A Single Handle Kitchen Faucet How Tos Diy from diy.sndimg.com
Anyway, the ones that i've put on recently, you just hold onto the lever part of the handle and. One lever to control the water volume and temperature. Replace retaining nut and other parts as appropriate to the model faucet. These are many small parts inside the faucet. American standard mobile home kitchen faucets (1). Every kohler part available for kitchen and bathroom faucets including stems, cartridges, handles, extension kits, adapters, hoses and repair kits. For kohler toilet parts, try browsing our kohler tank reference guide for breakdown drawings and part number identification. However, following this article might relieve you from that vexation.

Repairing versus fixing a kohler kitchen faucet valve.

Kohler k 12177 cp fairfax single control. I am trying to remove a single handle kohler kitchen sink faucet. Faucet cartridge for single handle kohler fairfax kitchen faucet parts kohler kitchen faucet repair simplice two hole kitchen sink faucet. These are many small parts inside the faucet. Kohler kitchen faucet leaking from ball valve. How to fix a leaky faucet with a single handle design. Briggs & sayco single handle style bath & tub/shower faucets (1). The valve is seated close to the top of the faucet, and there is a small gap between the base of the handle and the base of the faucet. Click any link below to shop kohler toilet replacement parts. However, following this article might relieve you from that vexation. The large part i am describing is the washer between that hex shaped fitting. If you are using mobile phone, you could also use menu drawer from browser. Purchase a kohler faucet repair kit from a store that stocks plumbing supplies.

Turn the water valves back. Despite kohler's reputation for quality, even if it is a single handle delta sink faucet, it may be the patented delta ball design, in which case you probably. Discover the perfect faucet for your kitchen today. Most homeowners can complete this repair in an hour or less. For every sink size kohler kitchen faucets offer multiple water flow options that will enhance your experience at the kitchen sink.

Graze Pull Down Kitchen Sink Faucet K 22062 Kohler Kohler
Graze Pull Down Kitchen Sink Faucet K 22062 Kohler Kohler from kohler.scene7.com
Kohler 1007488 fill valve assembly. Purchase a kohler faucet repair kit from a store that stocks plumbing supplies. Kohler is one of the oldest and most reputable faucet companies. Kohler kitchen faucet leaking from ball valve. These are many small parts inside the faucet. The valve is seated close to the top of the faucet, and there is a small gap between the base of the handle and the base of the faucet. Forious kitchen faucet with pull down sprayer brushed nickel, high arc single handle kitchen sink faucet with deck plate, commercial modern rv stainless steel kitchen faucets, grifos de cocina. Replacement faucet handle parts (47).

Kohler faucet & toilet parts.

Briggs & sayco single handle style bath & tub/shower faucets (1). For every sink size kohler kitchen faucets offer multiple water flow options that will enhance your experience at the kitchen sink. For kohler toilet parts, try browsing our kohler tank reference guide for breakdown drawings and part number identification. Kohler is one of the oldest and most reputable faucet companies. Handle accent repair part (3). Click any link below to shop kohler toilet replacement parts. Faucet cartridge for single handle kohler fairfax kitchen faucet parts kohler kitchen faucet repair simplice two hole kitchen sink faucet. Best kohler kitchen faucets repair instructions wallpaper home via iheartsaoirse.com. Forious kitchen faucet with pull down sprayer brushed nickel, high arc single handle kitchen sink faucet with deck plate, commercial modern rv stainless steel kitchen faucets, grifos de cocina. Single handle mixing style bar faucets are smaller than normal kitchen faucets allowing perfect installation on islands and smaller sinks. The large part i am describing is the washer between that hex shaped fitting. Kohler canada warranty information planning maintenance replacement parts kohler fort single control pullout kitchen sink faucet with color matched. We offer a huge selection of repair parts for kohler fixtures fix your kohler toilets, bathroom faucets, and tub/shower valves.